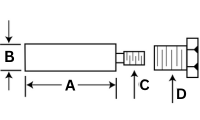
ENGINEANODE SPECIFICATIONS REPLACEMENT comes with just the Anode COMPLETE comes with the Anode and Brass Plug Not available in Aluminum | ||||||
|---|---|---|---|---|---|---|
| NOMINAL WEIGHT | NOMINAL DIMENSIONS | |||||
| ITEM # | lb (kg) | A: LENGTH | B: DIA | C: PLUG INTERNAL THREAD | D: PLUG EXTERNAL THREAD (NPT) | |
| ZN | MDE-00Z - REPLACEMENT | 0.02 lb (0.01 kg) | 2" | 1/4" | 1/4 - 20 NC | 1/8" |
| ZN | MDE-00C - COMPLETE | 0.05 lb (0.02 kg) | (51 mm) | (6 mm) | (3 mm) | |
| ZN | MDE-0Z - REPLACEMENT | 0.05 lb (0.02 kg) | 1 3/4" | 3/8" | 5/16 - 18 NC | 1/4" |
| ZN | MDE-0C - COMPLETE | 0.05 lb (0.02 kg) | (44 mm) | (10 mm) | (6 mm) | |
| ZN | MDE-0AZ - REPLACEMENT | 0.08 lb (0.04 kg) | 2 1/2" | 3/8" | 5/16 -18 NC | 1/4" |
| ZN | MDE-0AC - COMPLETE | 0.08 lb (0.04 kg) | (64 mm) | (10 mm) | (6 mm) | |
| ZN | MDE-0BZ - REPLACEMENT | 0.04 lb (0.02 kg) | 3/4" | 3/8" | 5/16 - 18 NC | 1/4" |
| ZN | MDE-0BC - COMPLETE | 0.04 lb (0.02 kg) | (19 mm) | (10 mm) | (6 mm) | |
| ZN | MDE-0HZ - REPLACEMENT | 0.08 lb (0.04 kg) | 1 5/8" | 1/2" | 3/8 - 16 NC | 3/8" |
| ZN | MDE-0HC - COMPLETE | 0.14 lb (0.06 kg) | (41 mm) | (13 mm) | (10 mm) | |
| ZN | MDE-1Z - REPLACEMENT | 0.08 lb (0.04 kg) | 2" | 1/2" | 3/8 - 16 UNC | 3/8" |
| ZN | MDE-1C - COMPLETE | 0.1 lb (0.05 kg) | (51 mm) | (13 mm) | (10 mm) | |
| ZN | MDE-1DZ - REPLACEMENT | 0.07 lb (0.03 kg) | 1 3/4" | 1/2" | 3/8 - 16 UNC | 3/8" |
| ZN | MDE-1DC - COMPLETE | 0.15 lb (0.07 kg) | (44 mm) | (10 mm) | (10 mm) | |
| ZN | MDE-1EZ - REPLACEMENT | 0.09 lb (0.04 kg) | 1 1/2" | 1/2" | 3/8 - 16 UNC | 3/8" |
| ZN | MDE-1EC - COMPLETE | 0.15 lb (0.07 kg) | (38 mm) | (13 mm) | (10 mm) | |
| ZN | MDE-1FZ - REPLACEMENT | 0.07 lb (0.03 kg) | 1 1/4" | 1/2" | 3/8 - 16 UNC | 3/8" |
| ZN | MDE-1FC - COMPLETE | 0.13 lb (0.06 kg) | (32 mm) | (13 mm) | (10 mm) | |
| ZN | MDE-1GZ - REPLACEMENT | 0.06 lb (0.03 kg) | 1" | 1/2" | 3/8 - 16 NC | 3/8" |
| ZN | MDE-1GC - COMPLETE | 0.1 lb (0.05 kg) | (25 mm) | (13 mm) | (10 mm) | |
| ZN | MDE-1HZ - REPLACEMENT | 0.07 lb (0.03 kg) | 2" | 3/8" | 3/8 - 16 NC | 3/8" |
| ZN | MDE-1HC - COMPLETE | 0.06 lb (0.03 kg) | (51 mm) | (10 mm) | (10 mm) | |
| ZN | MDE-2Z - REPLACEMENT | 0.15 lb (0.07 kg) | 2" | 5/8" | 7/16 - 20 NC | 1/2" |
| ZN | MDE-2C - COMPLETE | 0.16 lb (0.07 kg) | (51 mm) | (16 mm) | (13 mm) | |
| ZN | MDE-2BZ - REPLACEMENT | 0.26 lb (0.12 kg) | 3" | 5/8" | 7/16 - 14 NC | 1/2" |
| ZN | MDE-2BC - COMPLETE | 0.26 lb (0.12 kg) | (76 mm) | (16 mm) | (13 mm) | |
| ZN | MDE-3Z - REPLACEMENT | 0.22 lb (0.1 kg) | 2" | 3/4" | 1/2 - 13 NC | 3/4" |
| ZN | MDE-3C - COMPLETE | 0.22 lb (0.1 kg) | (51 mm) | (19 mm) | (19 mm) | |
| ZN | MDE-3AZ - REPLACEMENT | 0.22 lb (0.1 kg) | 3/4" | 3/4" | 1/2 - 13 NC | 3/4" |
| ZN | MDE-3AC - COMPLETE | 0.22 lb (0.1 kg) | (19 mm) | (19 mm) | (19 mm) | |
| ZN | MDE-4Z - REPLACEMENT | 0.38 lb (0.17 kg) | 3 3/8" | 3/4" | 1/2 - 13 NC | 3/4" |
| ZN | MDE-4C - COMPLETE | 0.37 lb (0.17 kg) | (86 mm) | (19 mm) | (19 mm) | |
| ZN | MDE-5Z - REPLACEMENT | 0.41 lb (0.19 kg) | 3 5/8" | 3/4" | 1/2 - 13 NC | 3/4" |
| ZN | MDE-5C - COMPLETE | 0.38 lb (0.17 kg) | (92 mm) | (19 mm) | (19 mm) | |
| ZN | MDE-6Z - REPLACEMENT | 0.55 lb (0.25 kg) | 4 3/4" | 3/4" | 1/2 - 13 NC | 3/4" |
| ZN | MDE-6C - COMPLETE | 0.76 lb (0.34 kg) | (121 mm) | (19 mm) | (19 mm) | |
| ZN | MDE-6LZ - REPLACEMENT | 0.02 lb (0.01 kg) | 1 1/2" | 3/8" | 1/4 - 20 NC | - |
| ZN | MDE-6LC - COMPLETE | 0.04 lb (0.02 kg) | (38 mm) | (10 mm) | - | |
| ZN | MDE-7Z - REPLACEMENT | 1.1 lb (0.5 kg) | 5" | 1 1/16" | 3/4 - 10 NC | 1" |
| ZN | MDE-7C - COMPLETE | 1.54 lb (0.7 kg) | (127 mm) | (27 mm) | (25 mm) | |
| ZN | MDE-8Z - REPLACEMENT | 0.9 lb (0.41 kg) | 2 15/16" | 1 1/4" | 3/4 - 10 NC | 1 1/4" |
| ZN | MDE-8C - COMPLETE | 1.78 lb (0.81 kg) | (75 mm) | (32 mm) | (32 mm) | |


Engine Replacement Anode

Engine Brass Plug
BRASS PLUGSPECIFICATIONS | |||
|---|---|---|---|
| ITEM # | lb (kg) | UNC | |
| MDE-00 BP | 0.01 lb (0.005 kg) | 1/4" | |
| MDE-0 BP | 0.03 lb (0.014 kg) | 5/16" | |
| MDE-1 BP | 0.06 lb (0.027 kg) | 3/8" | |
| MDE-2 BP | 0.11 lb (0.05 kg) | 3/8" | |
| MDE-3/4/5 BP | 0.21 lb (0.095 kg) | 3/8" | |
| MDE-6 BP | 0.21 lb (0.095 kg) | 1/2" | |
| MDE-7 BP | 0.44 lb (0.2 kg) | 3/4" | |
| MDE-8 BP | 0.88 lb (0.399 kg) | 3/4" | |

Engine Brass Plug
For more engine anodes, please see our CATERPILLAR and DETROIT DIESEL sections.


